The ASTM A216 WCB Check Valves Plant in China offers high-quality Swing Type Check Valves designed to meet stringent industry standards. These valves feature a carbon steel body, ensuring durability and reliability. They are available in a 12-inch size with a DN300 nominal diameter and rated at Class 600 LB and PN100 pressure classes. Compliant with API 6D and NACE standards, these valves are ideal for critical applications requiring robust performance and corrosion resistance.
Product Name: API 6D Swing Check Valve
Type: Swing Check Valve
Design Standard: API 6D
Body Material: Carbon Steel ASTM A216 WCB
Size: 12 Inch, DN300
Pressure: Class 600 LB, PN100
End Connection: RF Flanged
NACE: Meeting NACE Requirements
Medium: Water, Oil, Gas, etc
Temperature Range: -29°C to 595°C
Universal Cast Steel Check Valves are meticulously designed and manufactured in strict compliance with international standards such as API 6D, BS 1868, ASME B16.34, or equivalent. These valves are engineered to minimize flow resistance and pressure drop, ensuring optimal performance. They are specifically designed for horizontal installation and feature a lapped and screwed seat ring for tight sealing and long service life.
The precision-designed disc is accurately machined and guided, enabling efficient automatic shut-off even at zero pressure. With a compact structure and low-emission design, these valves deliver reliable performance. In their standard configuration, swing check valves include a bolted cover and a free-swinging clapper, which responds dynamically to flow conditions.
While swing check valves are ideal for horizontal pipelines, heavier discs may lead to chattering issues. To mitigate this, dampers or counterweights can be provided for enhanced stability.
Technical Specification
» Type: Swing Check Valve
» Nominal Diameter: NPS 2-24 Inch (DN50-DN600)
» Design Pressure: Class 150-2500 LB (PN10-PN420)
» Material: ASTM A216 WCB, WCC, 217 WC6, WC9, C5, C12A, A352 LCB, LCC, A351 CF8, CF8M, CF3M, CF8C
» End Connections: Flanged (FF, RF, RTJ) to international standards
» Design and Manufacture: BS 1868, API 6D, DIN 3352
» Face to Face (End to End): ANSI B16.10, EN 558 series
» Flanged Connection: ASME B16.5, ASME B16.47, EN 1092 series
» Butt Welded End: ANSI B16.25
» Test and Inspection: API 598, ISO 5208, EN 12266-1
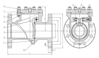
Structural Diagram

Product Features
✔Prevents Backflow: The cast steel swing check valve ensures unidirectional flow, effectively preventing reverse flow in pipelines. Its straight-through flow design minimizes pressure drop, while the swinging disc opens with media flow and seals tightly under backpressure.
✔Flexible Installation: Suitable for both horizontal and vertical pipelines, these valves must be installed in alignment with the flow direction (as indicated by the arrow on the valve body).
✔Customizable Solutions: Optional accessories such as bypass systems, locking devices, counterweights, and more are available to meet specific operational needs.