The ASTM A105N Trunnion Mounted Ball Valve Plant offers high-quality valves designed in accordance with API 6D standards. These valves feature forged carbon steel bodies, ensuring durability and strength. They are available in customized sizes and pressure ratings to meet specific requirements. The valves have raised face (RF) flanged ends for secure connections and come equipped with gearboxes for efficient operation.
Product Name: ASTM A105N Trunnion Mounted Ball Valve
Type: Trunnion Mounted Ball Valve
Design Standard: API 6D
Body Material: ASTM A105N, Forged Carbon Steel
Size: Customized
Pressure: Customized
End Connection: RF Flanged
Operation: Gearbox
Medium: Water, Oil, Gas, etc
Temperature Range: -46°C to 120°C
Our trunnion mounted ball valves are engineered for easy and smooth operation at high line pressures, supported by carefully aligned bearings that ensure low torque operation. The ball is securely fixed in position but remains free to turn, providing reliable control. These valves are made with high-quality castings and feature a fire-safe design certified according to BS 6755, API 607, and API 6FA, meeting all applicable ASME standards. Our cast steel trunnion ball valves, available in Two Piece Split Body and Three Piece Bolted Body configurations, are designed and manufactured to the latest international standards, including API 6D, ASME B16.34, and BS 5351 or equivalents. They come with standard features such as Fire Safe, Anti-static, and Stem Blow-out Proof, making them ideal for a variety of industrial applications.
Technical Specification
» Product: Trunnion Mounted Ball Valve
» Size Ranges: NPS 2–48 Inch (DN50–DN1200)
» Temperature Range: -46°C to 120°C
» Design Pressure: Class 150–2500 LB (PN10–PN420)
» Materials: Cast Carbon Steel, Stainless Steel, Duplex, or Other Specials
» Trim Materials: 13%Cr, SS 304, SS 304L, SS 316, SS 316L, and other specials
» Seat Materials: RPTFE, DEVLON, PEEK
» End Connections: Flanged RF, RTJ, Welded
» Operation: Handle, Worm Gear, Electric, Pneumatic
» Design and Manufacture: API 6D, BS 5351, ASME B16.34
» Face to Face (End to End): ASME B16.10
» Flanged Connection: ASME B16.5, ASME B16.47
» Test and Inspection: API 598, API 6D
» Butt Welded End: ASME B16.25
» Fire Safety: API 607, API 6A
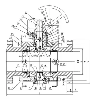
Structural Diagram

Product Features
» Double Block And Bleed(DBB)
» Low Operating Torque
» Emergency Sealing Device
» Fireproof Structure Design
» Anti-static Structure
» Reliable seat sealing structure
» Single Sealing (automatic Pressure Relief In Middle Cavity Of Valve)
» Double Sealing (double Piston)
» Safety Relief Device
» Special Structure Of Automatic Pressure Relief Towards Upper Stream
» Blow-out Proof Stem
» Corrosion Resistance And Sulfide Stress Resistance
» Optional Locking Device or Stem Extension
» Optional Direct Mounting to ISO 5211
» Full Port or Reduce Bore