This API 602 lift check valve from a leading China supplier is engineered for high-pressure applications, featuring a forged carbon steel ASTM A105N body for superior strength and durability. With a 2-inch (DN50) size and Class 1500 LB (PN250) rating, it ensures reliable backflow prevention in critical systems. The welded bonnet design enhances sealing integrity, while socket welded ends provide secure, leak-free connections in demanding industrial environments.
Product Name: API 602 Lift Check Valves, Welded Bonnet
Type: Lift Check Valve
Design Standard: API 602
Body Material: ASTM A105N
Size: 2 Inch, DN50
Pressure: Class 1500 LB, PN250
End Connection: Socket Weld
Medium: Water, Oil, Gas, etc
Temperature Range: -29°C to 595°C
Forged Steel Check Valves are engineered and manufactured in strict accordance with international standards such as API 602 and ASME B16.34 (or equivalent). They are designed to minimize flow resistance and pressure drop, and are intended for horizontal installation only. The seat ring is precision-lapped and threaded to ensure a tight seal and long service life. The valve disc is carefully designed, accurately machined, and properly guided to enable reliable automatic shut-off at zero pressure. These valves feature a compact structure and are suitable for low-emission applications. Available in both swing and piston configurations.
Technical Specification
» Type: Pressure Sealed Check Valve
» Normal Diameter: NPS 1/2 inch to 2 inches (DN15-DN50)
» Design Pressure: Class 150 to 2500 LB (PN10-PN420)
» Materials: Carbon Steel, Alloy Steel, Stainless Steel, Duplex Steel, and other materials
» Trim Materials: 13%Cr, ASTM A182 F11, F22, SS304, SS 304L, SS 316, SS 316L, and other special materials
» End Connections: SW, FNPT, BW, RF, RTJ, Grooved
» Design and Manufacture: ASME B16.34, API 602
» Face to Face (End to End): ANSI B16.10
» Flanged Connection: ANSI B16.5
» Test and Inspection: API 598, API 6D
» Butt Welded End: ANSI B16.9
» Threaded Ends: ASME B1.20.1
» Socket-Weld Ends: ASME B16.11
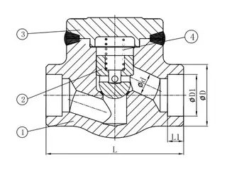
Structural Diagram

Product Features
» Water Hammer Protection: During the flow of liquid media, the lift check valve helps minimize water hammer, safeguarding pipeline equipment and piping from impact damage.
» Bonnet Design Options: Available in both bolted bonnet and welded bonnet configurations to suit different application requirements.
» Valve Type Options: Offered in swing and lift type designs for versatile system integration.
» Port Configuration: Available in full port or reduced bore options to accommodate various flow requirements.