API 599 Plug Valve, ASTM A216 WCB, 26 Inch, 600 LB, RF Ends

API 599 Plug Valve, ASTM A216 WCB, 26 Inch, 600 LB, RF Ends

Key Specifications / Features

This API 599 Plug Valve is a pressure-balanced, lubricated plug valve designed for reliable shutoff in high-pressure applications. Constructed with a robust cast carbon steel body, it is suitable for demanding industrial environments. The valve features a 26-inch (DN650) size, rated for Class 600 LB (PN100), and comes with RF flanged ends for secure pipeline integration, ensuring smooth operation and leak-tight performance under severe conditions.

Request a quote

Detail Information

Product Name: API 599 Plug Valve, Pressure Balanced
Type: Lubricated Plug Valve
Design Standard: API 599
Body Material: ASTM A216 WCB
Size: 26 Inch, DN650
Pressure: Class 600 LB, PN100
End Connection: RF Flanged
Operation: Worm Gear
Medium: Water, Steam, Oil, Gas, etc
Temperature Range: -46°C to 300°C

We are a leading manufacturer, factory, and supplier of Lubricated Plug Valves, offering the best prices for high-quality products. Our Flange End Lubricated Plug Valves are designed according to ANSI standards and can be customized to meet specific customer requirements. These valves are widely used in various industries, including petroleum, chemical, pharmaceutical, fertilizer, and power. Lubricated plug valves are also known as Pressure Balance Lubricated Plug Valves.

Technical Specification

» Structure: Inverted Pressure Balance Plug Valve
» Nominal Diameter: NPS 1/2-16 Inch (DN15-DN400)
» Design Pressure: Class 150-1500 LB (PN20-PN260)
» Material: ASTM A216 WCB, WCC, A217 WC6, WC9, C5, A352 LCB, LCC, A351 CF8, CF8M, CF3M, CF8C, CN3MN, CN7M, A890 4A (CD3MN), 5A (CE3MN), 6A (CD3MWCuN), ASTM B148 C95800, C95500
» Design Standard: API 6D, API 599
» Face to Face: ASME B16.10
» Connection End: RF, RTJ, BW
» Test Standard: API 598, ISO 5208
» Design Temperature: -46°C to +300°C
» Applicable Medium: Water, Steam, Oil, Gas, etc.
» Operation: Lever, Worm Gear, Electric, Pneumatic
» Application: Petrochemical, Chemical, Natural Gas, LPG, Gas, HVAC, Food and Pharmaceutical
» Function 1: Optional Bore Pattern: Venturi, Regular, Short, Standard
» Function 2: Metal to Metal Seated Design
» Function 3: Injection Grease Sealed Design (for Stem and Seats)
» Function 4: Fire Safe

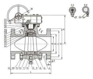
Structural Diagram
API 599 Lubricated Plug Valve Structural Diagram

Product Characteristics

The Inverted Pressure Balance Plug Valve design ensures balanced operation under pressure from different directions. Utilizing special sealing structures, it effectively prevents fluid leakage when the valve is closed.
 

Similar Products

Related Searches

Products you might also like

Send your message to this supplier