EN 593 Triple Eccentric Butterfly Valve, WCB, DN300, PN40

EN 593 Triple Eccentric Butterfly Valve, WCB, DN300, PN40

Key Specifications / Features

We Provide Triple Eccentric Butterfly Valves, ASTM A216 WCB Butterfly Valves, DN300, PN40, EN 593, Triple Eccentric, Biaxial Pressure, RF, and Turbine Operation.
Request a quote

Quick Detail

Type Butterfly Valve
Size DN300
Pressure PN40
Connection RF
Operation Turbine Operation
Body Material WCB
Design Norm EN 593
End to End EN 558-1
Flange Dimension EN1092-1: 2001
Test & Inspection Code EN12266-1
Temperature -29 - 425°C
Applicable Medium Water, Oil and Gas

Detail Information

DN300 PN40 Triple Eccentric Butterfly Valve WCB

Introduction

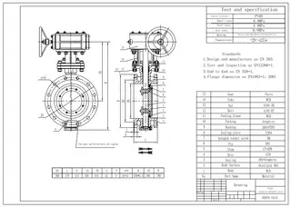
DN300 PN40 butterfly valve is made according to EN 593 standards. The valve body is made of WCB. It has the structural characteristics of triple eccentric and biaxial pressure. Its connection mode is RF. And it has turbine operation mode.

Features

1. Reduce the opening and closing torque of the valve, and the opening and closing speed is very fast;
2. The friction coefficient between the sealing surface of the valve body and the butterfly plate is small, which reduces the wear of the sealing surface and extends the service life of the valve.

Technical Drawing



Dimension Checking



Pressure Testing



Painting



Nameplate & Packing



Inspection report








 

Keywords of EN 593 Triple Eccentric Butterfly Valve, WCB, DN300, PN40

DN300 Triple Eccentric Butterfly Valve
PN40 Triple Eccentric Butterfly Valve
Triple Eccentric Butterfly Valve
WCB Triple Eccentric Butterfly Valve
RF Eccentric Butterfly Valve
EN 593 Eccentric Butterfly Valve
 

Send your message to this supplier

FAQs

Similar Products

Related Searches

Products you might also like