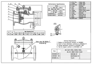
DIN3840 Cast Steel Check Valve, DN350 PN40 with bypass valve.
The big-sized PN40 check valve that made as per DIN3840 can provide tight shutoff and low emission for the process and power industries. The quick pressure offered by the bypass globe valve also make sure your safe work.
Quick Detail
| Type |
Check Valve |
| Nominal Diameter |
DN350 |
| Nominal Pressure |
PN40 |
| Construction |
Swing Type |
| Connection |
Flange |
| Design & Manufacture |
DIN 3840 |
| End to End Dimension |
DIN 3202-F1 |
| Flange Dimension |
EN 1092-1/B2 |
| Test & Inspection |
EN 12266-1/2 |
| Body Material |
GP240GH+13Cr |
| Disc Material |
GP240GH+13Cr |
| Temp. Range |
-10~400°C |
| Media |
Water, Steam, Oil, etc |
Features:
--Precisely Machined Castings.
--Fully-enclosed gasket.
--Robust One-piece disc withstands the severe shock of check valve service.
--Non-rotating disc is fastened securely to disc hanger with a lock nut and cotter pin.
--Bypass globe valve provides quick pressure relief.
Technical Drawing
Witnessing Test
Nameplate & Packing
Founded in Xiamen in 2008,
Kelly VALVES INDUSTRY CO., LTD has accumulated rich experience in supplying and exporting industrial valves, from general types of gate valve, globe valve, check valve, ball valve, butterfly valve, plug valve, strainer to special valves like needle valve, control valve, relief valve, safety valve and steam trap.
Kelly people are committed to provide our customers with best possible service and valve products at a competitive price. With over 500 valve suppliers, the rich resources we own enable us to find the most suitable products in a very short time for our customers.
