Concentric Wafer Butterfly Valve, API 609, DN200, PN16, DI

Concentric Wafer Butterfly Valve, API 609, DN200, PN16, DI

Key Specifications / Features

DN200 PN16 butterfly valve is made according to API 609 standard. The valve body is made of DI. It has the structural characteristics of a medium line type. Its connection mode is a wafer. And it has a turbine with lock operation mode.
Request a quote

Quick Detail

Type Butterfly Valve
Size DN200
Pressure PN16
Connection Wafer
Operation Turbine Operation with Lock
Body Material DI
Design Norm API 609
Face to Face EN558-1
Top Flange ISO 5211
End Flange EN1092 PN16
Test & Inspection Code EN12266
Applicable Medium Water, Oil and Gas

Detail Information

DN200 PN16 Concentric Butterfly Valve Wafer DI API 609

Features

1. Simple structure and convenient manufacturing;
2. The channel design is a full-bore structure, ensuring the flow area of the valve and reducing the flow resistance when the fluid passes through the valve.

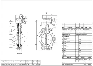
Technical Drawing



Dimension Checking

Wafer Butterfly Valve dimension check

Pressure Testing

Wafer Butterfly Valve pressure test

Painting

Wafer Butterfly Valve painting

Our Service

Good customer service is as valuable as the product itself. In Kelly, we will offer a full range of customer service to make you feel easy when doing business with us.
Providing weekly production report
When production begins, you will get a production report weekly, so that you can have a good command of product status and report to your customer in the meantime.
Offering a warranty of 18 months
18 months warranty period will be offered after shipment, no concern to purchase a valve from Kelly.
Providing solutions within 3-days for complaints
All the complaints will be solved within 3 days, in this case, you can timely reply and solve problems for your customer, to relax them even when complaints happen.

 

Similar Products

Related Searches

Products you might also like

Send your message to this supplier