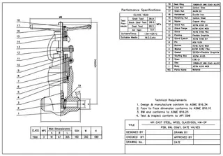
| Type | Gate Valve |
| Size | 3 Inch |
| Design Pressure | CL 1500 |
| Construction | Bolted Bonnet, Flexible Wedge |
| Connection Type | Butt Weld (SCH160) |
| Operation Type | Handwheel |
| Body Material | A216 WCB |
| Trim Material | 13Cr |
| Design Code | ASME B16.34 |
| Face to Face | ASME B16.10 |
| BW End Connection | ASME B16.25 |
| Test & Inspect | API 598 |
| Medium | Water, Oil and Gas |
| Temperature | -29~425℃ |
| Origin | China |


