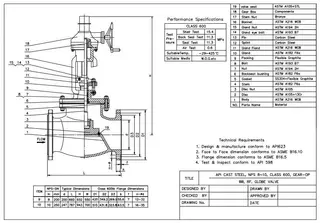
The
8 inch 600 LB globe valve, made of
WCB, is designed as per
API 598. It is operated by a gear box and is connected with pipeline by
RF. The disc of the globe valve contain 13Cr, therefore it can better resist corrosion.
Quick Detail
Type |
Globe Valve |
Size |
8'' |
Design Pressure |
Class 600 |
Construction |
Plug Type Disc, BB, RF, |
Connection Type |
NPS |
Operation Type |
Gearbox Operated |
Design Code |
API 598 |
End to End |
ASME B16.10 |
Flange Dimension |
ASME B16.5 |
Test & Inspection |
API 598 |
Body Material |
Cast Steel WCB |
Disc Material |
A105 +13Cr |
Temperature Range |
-29℃~+425℃ |
Application |
- O. G
|
Origin |
China |
Technical Drawing
Foundries:
Raw material plays an important role in product quality. Likewise, casting and forging affect valve quality a lot. That is why Kelly pay a lot of attention to foundries. We have an approval list of foundries and classify them by certificates, scale, process and materials. To meet different requirements from customers, we could even appoint suitable foundries for our customers.
