ASTM A182 F51 Ball Valve, API 6D, 8×6 Inch, 2500 LB, RTJ

ASTM A182 F51 Ball Valve, API 6D, 8×6 Inch, 2500 LB, RTJ

Key Specifications / Features

We Provide ASTM A182 F51 Ball Valves, ASTM A182 F51 Trunnion Mounted Ball Valves, Reduce Bore 8×6 Inch, Class 2500 LB, RTJ, API 6D, Worm Gear Operated.
Request a quote

Quick Detail

Type Ball Valve
Size 8"×6"
Pressure 2500 LB
Connection RTJ
Operation Worm Gear
Body Material F51
Manufacture API 6D
Pressure/temperature ASME B16.34
Face to face API 6D
Flange ASME B16.5
Test & Inspection Code API 6D
Work Temperature -29 - 121°C
Applicable Medium Water, Oil and Gas

Detail Information

8"×6" 2500 LB Trunnion Mounted Ball Valve RTJ API 6D F51

Introduction
8"×6" 2500LB ball valve is made according to API 6D standard. The valve body is made of F51. It has the structural characteristics of an anti-fire, anti-static and anti-flying valve stem. The valve uses low leakage packing, which conforms to the low leakage design. The valve meets the requirements of NACE MR0175

Features
1. The valve conforms to a low leakage design;
2. The operation is labor-saving and the sealing performance is reliable.

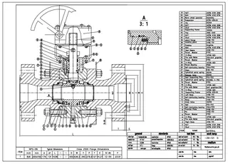
Technical Drawing


 
Dimension Checking
 

Pressure Testing
 

Nameplate & Packing
 

Product Application

Kelly valves can be widely used in various industries, such as petrochemical, pipeline, oil & gas, marine, water treatment, power station industries, etc.



 

Keywords of ASTM A182 F51 Ball Valve, API 6D, 8×6 Inch, 2500 LB, RTJ

8"×6" 2500LB Ball Valve
API6D Trunnion Mounted Ball Valve
Trunnion Mounted Ball Valve
Worm Gear Trunnion Mounted Ball Valve
 

Similar Products

Related Searches

Products you might also like

Send your message to this supplier