API 609 Concentric Butterfly Valve, GGG40, EN 12266, Lug

API 609 Concentric Butterfly Valve, GGG40, EN 12266, Lug

Key Specifications / Features

20 Inch 150 LB butterfly valve is made according to API 609 standard. The valve body is made of cast iron GGG40. It has the structural characteristics of medium line type and lug type (threaded hole). Its connection mode is lug. And it has turbine operation mode.
Request a quote

Detail Information

API 609 Cast Iron Butterfly Valve, lug type
 
Type Butterfly Valve
Size 20 Inch
Pressure 150 LB
Connection Lug
Operation Turbine Operation
Body Material GGG40
Design Norm API 609
Face to Face EN558-1
End Flange AWWA C207 CLASS E
Top Flange ISO 5211
Test & Inspection Code    EN12266
Applicable Medium Water, Oil and Gas

Features

1. Light weight, easy maintenance, good sealing effect and long service life;
2. Widely used in various industrial fluid control.

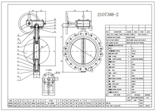
Technical Drawing

Technical Drawing


Dimension Checking

Dimensional Checking


Nameplate & Packing

Nameplate and Packing

 

Product Range

Body material: CS, SS, Alloy Steel, CI, Bronze, Brass
Size Range: 2 Inch~60 Inch (DN50~DN1500)
End Type: Butt Weld, Socket Weld, Flanged, Screwed
Pressure Range: 150 lbs~2500 lbs (PN16~PN420)
Operation Type: Lever, Gearbox, Electric Actuator, Pneumatic Actuator
Temperature Range: -46℃~ +200℃
 

Send your message to this supplier

FAQs

Similar Products

Related Searches

Products you might also like