Flexible Wedge Gate Valve, API 600, 3 Inch, 150 LB, WCB, RF

Flexible Wedge Gate Valve, API 600, 3 Inch, 150 LB, WCB, RF

Key Specifications / Features

This DN80 Flanged Gate Valve is equipped with API 600 specifications and an OS & Y design. Its 3-inch size and 150 LB rating make it suitable for various applications. The RF design, WCB body, and 1Cr13 trim ensure high-quality performance. It features a handwheel and is NACE-compliant.
Request a quote

Detail Information

DN80 Flanged Gate Valve, API 600, OS & Y, 3 Inch, 150 LB, RF, WCB Body, 1Cr13 Trim, Handwheel, NACE    

Valve Description:
1821013 Gate Valve 3G1RWCB08
Design Standard: API 600
Structure: Bolted Bonnet
Nominal size: 3 Inch
Nominal class: 150 LB
Bore Type: Standard Bore
End Connection: RF (Raised Face)
Operation: Handwheel
Body Material: ASTM A216 WCB
Trim Material: 1Cr13+STL, No.8
Face to face: ASME B16.10
Test and inspection: API 598
Key Features: Flexible Wedge, OS & Y, Non-rising Handwheel, Low fugitive emission stem packing available, Renewable Seat, NACE MR0175

Product Range:
Body material: Carbon Steel
Normal diameter: 2 - 48 Inch (DN50 - DN1200)
Pressure range: Class 150 - 2500 LB
End connection: RF, RTJ, BW
Working temperature: -29℃ - +350℃
Operation: Handwheel, Gear, Motor Actuator

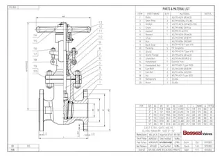
DN80 Flanged Gate Valve Tech Drawing
 

Similar Products

Related Searches

Products you might also like

Send your message to this supplier