ASTM A182 F316 Gate Valve, API 602, 1 Inch, 150 LB, RF

ASTM A182 F316 Gate Valve, API 602, 1 Inch, 150 LB, RF

Key Specifications / Features

Get superior quality F316 Integral Flanged Forged Gate Valve with API 602 certification and a 1-inch size. The valve is designed for high-pressure applications with a 150 LB rating and features an RF F316 Body & Trim with a handwheel for easy operation.
Request a quote

Detail Information

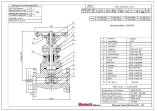
F316 Integral Flanged Forged Gate Valve, API 602, 1 INCH, 150 LB, RF F316 Body & Trim, Handwheel

Valve Description:
1851005 API 602 Forged Gate Valve 1G1RF31610
Design Standard: API 602, ASME B16.34
Structure: Bolted Bonnet, OS & Y
Nominal size: 1 Inch
Nominal class: 150 LB
Bore: Regular Bore
End Connection: RF-Flanged End
Operation: Handwheel
Body Material: ASTM A182 F316
Trim Material: ASTM A182 F36
Face to face: ASME B16.10
Test and inspection: API 598
Key Features: Independent backseat, Fully guided solid wedge, Adjustable Packing Gland, Integral Flange

Product Range:
Body material: Carbon Steel, Stainless Steel, Duplex steel, Alloy
Normal diameter: 1/2-2 Inch (DN15 - DN50)
Pressure range: Class 150-2500 LB
End connection: RF, RTJ
Working temperature: -29℃ - +400℃
Operation: Handwheel

Integral Forged Gate Valve Tech Drawing
 

Similar Products

Related Searches

Products you might also like

Send your message to this supplier