Product Name: Composite High-speed Air Release Valve
Body Material: ASTM A216 WCB, QT450
Size Range: DN50-DN300, 2-12 Inch
Pressure: PN10, PN16, Class 150 LB
End Connection: Flanged Ends
Applicable Medium: Water
Roller Shutter Type Composite Air Release Valve, Rapid Automatic Air Intake & Exhaust Valve

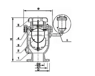
Product Description
The composite high-speed air intake and exhaust valve prevents the float ball from being blown up and blocking the exhaust port under high-speed airflow, which could cause the valve to fail. To avoid blockage of the valve port, traditional high-speed air valves use a protective sleeve at the inlet, making their structure more complex.
Product Features
High-speed air exhaust during filling, resistant to blockage.
High-speed air intake during draining.
Micro air exhaust under normal pressure.
Working Principle
The composite high-speed air intake and exhaust valve is a float-type air valve manufactured using Bernoulli’s theory. It remains fully open under airflow, and when a solid water column rises, the float ball is immediately lifted to tightly seal the exhaust port. The valve uses a specifically sized float ball, so that the aerodynamic force generated can keep the float ball open (suspended) when airflow passes through, while the buoyancy produced by the rising water column lifts it. Combined with a conical inlet at an appropriate angle, this ensures that no matter how high the air pressure or airflow velocity, the exhaust port will not be blocked.
|
Nominal Diameter (DN) |
Length A (mm) |
Width B/L (mm) |
Height H (mm) |
Outer Diameter D (mm) |
Bolt Circle Diameter (mm) |
Flange Thickness (mm) |
Bolt Holes |
|
DN50 |
250 |
130 |
260 |
165 |
125 |
19 |
4-19 |
|
DN80 |
315 |
170 |
340 |
200 |
160 |
19 |
8-19 |
|
DN100 |
413 |
334 |
220 |
180 |
19 |
8-19 |
|
|
DN150 |
580 |
520 |
285 |
240 |
19 |
8-23 |
|
|
DN200 |
668 |
640 |
340 |
295 |
22 |
8-23 |
|
|
DN250 |
770 |
780 |
395 |
350 |
22 |
12-23 |
|
|
DN300 |
850 |
920 |
445 |
400 |
24.5 |
12-23 |
Installation Requirements
1. Before installation, inspect and remove any debris inside the valve body.
2. Install a gate valve in front of the air valve to facilitate future installation and maintenance. If the valve is installed in a manhole, ensure there is sufficient space for technicians to perform adjustments and maintenance.
3. If the air valve is installed outdoors, ensure proper insulation to prevent water inside the valve from freezing and damaging the valve.
4. If the pipeline experiences frequent water supply interruptions, it is recommended to install a buffer valve in front of the air valve.
5. Common installation locations for the composite high-speed air valve include: local high points, points where the downward slope increases, points where the upward slope decreases, and long pipe sections with continuous upward or downward slopes without bends.
Selection of Installation Location
The installation location of the air valve directly affects its performance and the operating condition of the pipeline. Designers often focus only on local high points, but there are various suitable locations for air valve installation. Only by considering the entire pipeline system comprehensively can optimal air release be achieved. Common installation locations include: local high points, points where the downward slope increases, points where the upward slope decreases, and long pipe sections with continuous upward or downward slopes without bends.
Source: https://www.magpievalves.com/high-speed-air-release-valve-a216-wcb-qt450-dn50-dn300.html