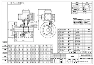
Product Name: Explosion-proof Electric Actuated Ball Valves
Valve Body Material: Carbon Steel, Cast Steel
Rated Diameter: DN15-DN300, 1/2-12 Inch
Rated Pressure: 1.6MPA, 2.5MPA, PN16, PN25, Class 150, 300 LB
Design Standard: API 6D, API 608, ISO 17292, GB/T 12237
Pressure Temperature Rating: ASME B16.34
Structural Length: ASME B16.10
Inspection and Testing: API 598
Actuator: Electric Actuator
Connection Method: Flanged
Flange Standard: Machinery Department, Chemical Industry Department, German Standard, American Standard, Japanese Standard
Electric Actuator Specifications
Medium Temperature: -10°C to 100°C (PTFE ), -20°C to 250°C (POB)
Available Voltage: AC 220V, AC 380V, AC 110V, AC 24V, DC 24V, DC 48V, DC 220V, and others available
Protection Level: IP65, IP66, IP67, IP68
Explosion-proof Level: EX DII BT4, EX DII CT4
Control Method: Sourceless Switch Type, Modulating Type, Intelligent Type
Operating Range: 0-90°, 0-180°
Ambient Temperature: -10°C to 60°C and others available

Source: https://www.magpievalves.com/explosion-proof-electric-ball-valve-api-6d-cs-dn15-dn300.html