Duplex Steel EN 1984 Gate Valve for European Client

On this page
We are pleased to announce the successful completion of a specialized order of gate valves for one of our esteemed European clients. These valves are made from duplex steel, demonstrating our commitment to providing high-quality, robust solutions for demanding applications.

Product Overview

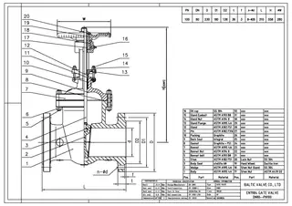
Our latest project involved the production of EN1984 gate valves, featuring hand wheel operation for ease of use. The valves are designed with an OS&Y (Outside Stem and Yoke) configuration, offering a rising stem and full port for optimal flow. The flexible wedge design includes a back seat for enhanced sealing and durability.

Material Specifications

Body/Bonnet/Wedge: ASTM A995 4A Duplex Steel
Stem: ASTM A182 F51 Stainless Steel
Body Seat: STL 6#
Ends Connection: Flange ends according to EN1092-1/B2
Face to Face Dimension: Compliant with EN558/Row 26, 310 mm

Application and Installation

These valves are engineered for use in underground mining operations, specifically suitable for handling liquid saline (brine) with a concentration exceeding 310 g/cm³ of salt. They are designed to operate efficiently within a temperature range of +35°C to +50°C, ensuring reliable performance in challenging environments.
 
For your reference, we have included the following attachments: GA Drawing, Gate Valve Picture
 
We are proud to deliver this project, reflecting our ongoing dedication to excellence and customer satisfaction. Should you have any questions or require further information, please do not hesitate to reach out.
 
 
BALTIC VALVE CO., LTD
Date: July 24th, 2024


gate valve
Item 1)  Gate Valve DN80 - PN100


drawing for gate valve
 

Send your message to this supplier


Related Articles from the Supplier

Related Articles from China Manufacturers

Related Products Mentioned in the Article

balticvalve

balticvalve

  • http://www.baltic-valve.com/
  •  
  • Business Type: Trading,

Supplier Website

Source: https://www.baltic-valve.com/news/duplex-steel-en-1984-gate-valve-for-european-client.html