Product Name: Cast Steel Vertical Check Valve, One-way Valve, Non-return Valve
Material: ASTM A216 WCB/Cast Steel
Size Range: DN15-DN250, 1/2-10 Inch
Working Pressure: 1.6/2.5 MPa, PN16, PN25, Class 150-300 LB
End Connection: Flanged
Operating Temperature: Medium type ≤325°C, Heavy type ≤425°C
Applicable Medium: Water, gas, oil and most other fluids
Note: For working pressures of 4.0/6.4 MPa and above, consult the manufacturer

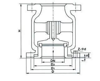
Main Dimensions and Connection Sizes
|
Nominal Diameter DN (mm) |
Dimensions (mm) |
|||||
|
L |
D |
D1 |
D2 |
b-f |
z-Φd |
|
|
15 |
85 |
95 |
65 |
45 |
14–2 |
4–Φ14 |
|
20 |
95 |
105 |
75 |
55 |
14–2 |
4–Φ14 |
|
25 |
105 |
115 |
85 |
65 |
14–2 |
4–Φ14 |
|
32 |
150 |
135 |
100 |
78 |
16–2 |
4–Φ18 |
|
40 |
160 |
145 |
110 |
85 |
16–3 |
4–Φ18 |
|
50 |
170 |
160 |
125 |
100 |
16–3 |
4–Φ18 |
|
65 |
180 |
180 |
145 |
120 |
18–3 |
4–Φ18 |
|
80 |
200 |
195 |
160 |
135 |
20–3 |
8–Φ18 |
|
100 |
210 |
215 |
180 |
155 |
20–3 |
8–Φ18 |
|
125 |
275 |
245 |
210 |
185 |
22–3 |
8–Φ18 |
|
150 |
300 |
280 |
240 |
210 |
24–3 |
8–Φ23 |
|
200 |
380 |
335 |
295 |
265 |
26–3 |
12–Φ23 |
|
250 |
430 |
405 |
355 |
320 |
30–3 |
12–Φ25 |
Source: https://www.magpievalves.com/vertical-check-valve-astm-a216-wcb-dn15-dn250-pn16-pn25.html