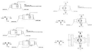
Root valves are integrally forged, one-piece double block and bleed assemblies, designed for primary isolation of pressure take-offs. These valves are directly mounted to vessels or process pipes, providing a reliable means of isolating pressure systems. Instruments can be mounted directly to the valve outlet or remotely using gauge lines or impulse piping.
Product Name: Gauge Root Valve
Standard Materials: Stainless Steel, Carbon Steel, Duplex Steel
Size Range: 1/2-2 Inch
Pressure Range: Class 150-2500 LB
Inlet Connections: Welded inlet connections
Outlet Connection: 1/2 Inch NPT threaded female outlet, conforming to ANSI/ASME B1.20.1.
Vent Connection: 1/2 Inch NPT threaded female vent connection to ANSI/ASME B1.20.1.
Applications: Isolation, Block and Bleed, Double Block and Bleed, Pressure Measurement, Flow Measurement
Key Features:
Material Thickness: Conforms to ANSI B16.34.
Fire Safety: Firesafe to API 607, BS 6755 Part 2.
Pressure Testing: Standard pressure testing according to BS 6755 Part 1.
Material Traceability: Heat code traceable to EN 10204 3.1 (body only).
Ball Isolation Valve Seat Material: Options include PVDF, PTFE (virgin or filled), PCTFE, and PEEK.
Valve Packing Materials: OS&Y needle-type and needle-type globe valve packing materials come standard with graphite, with PTFE available as an option.
Options:
Options for root valves are similar to those available for the Modular and Monoflange ranges.

Source: https://www.magpievalves.com/gauge-root-valve-one-piece-dbb-1-2-2-inch-cl150-2500-lb.html
Copyright © 2015-2026 China Manufacturers, CNMFRS.COM, All rights reserved.
谷歌优化(Google SEO)
