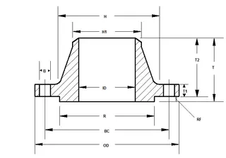
Flange NPS | Inside Diameter |
Outside Diameter |
Bolt Circle (BC) |
Raised Face (R) |
Raised Face (RF) |
H | H1 | Raised Face Thickness (T) |
T1 | Flat Face Thickness (T2) |
Bolt Hole (B) |
No. of Bolt Holes |
---|---|---|---|---|---|---|---|---|---|---|---|---|
3″ | 2.90″ | 9.50″ | 7.50″ | 5.00″ | .250″ | 5.00″ | 3.50″ | 4.25″ | 1.50″ | 4.00″ | 1.00″ | 8 |
4″ | 3.83″ | 11.50″ | 9.25″ | 6.19″ | .250″ | 6.25″ | 4.50″ | 4.75″ | 1.75″ | 4.50″ | 1.25″ | 8 |
5″ | 4.81″ | 13.75″ | 11.00″ | 7.31″ | .250″ | 7.50″ | 5.56″ | 5.25″ | 3.00″ | 5.00″ | 1.38″ | 8 |
6″ | 5.76″ | 15.00″ | 12.50″ | 8.50″ | .250″ | 9.25″ | 6.63″ | 5.75″ | 2.19″ | 5.50″ | 1.25″ | 12 |
8″ | 7.63″ | 18.50″ | 15.50″ | 10.63″ | .250″ | 11.75″ | 8.63″ | 6.63″ | 2.50″ | 6.38″ | 1.50″ | 12 |
10″ | 9.75″ | 21.50″ | 18.50″ | 12.75″ | .250″ | 14.50″ | 10.75″ | 7.50″ | 2.75″ | 7.25″ | 1.50″ | 16 |
12″ | 11.75″ | 24.00″ | 21.00″ | 15.00″ | .250″ | 16.50″ | 12.75″ | 8.13″ | 3.13″ | 7.88″ | 1.50″ | 20 |
14″ | 13.00″ | 25.25″ | 22.00″ | 16.25″ | .250″ | 17.75″ | 14.00″ | 8.63″ | 3.38″ | 8.38″ | 1.63″ | 20 |
16″ | 15.00″ | 27.75″ | 24.25″ | 18.50″ | .250″ | 20.00″ | 16.00″ | 8.75″ | 3.50″ | 8.50″ | 1.75″ | 20 |
18″ | 17.00″ | 31.00″ | 27.00″ | 21.00″ | .250″ | 22.25″ | 18.00″ | 9.25″ | 4.00″ | 9.00″ | 2.00″ | 20 |
20″ | 19.00″ | 33.75″ | 29.50″ | 23.00″ | .250″ | 24.50″ | 20.00″ | 10.00″ | 4.25″ | 9.75″ | 2.13″ | 20 |
24″ | 23.00″ | 41.00″ | 35.50″ | 27.25″ | .250″ | 29.50″ | 24.00″ | 11.75″ | 5.50″ | 11.50″ | 2.63″ | 20 |