This thermodynamic steam trap is designed for efficient steam condensate management. It features a forged carbon steel body made from ASTM A105 material, ensuring durability and strength. The trap has a 1-inch (DN25) size with a pressure rating of PN16 and Class 150 LB, making it suitable for high-pressure steam systems. The standard 16F flanged ends provide secure and easy installation. This trap is ideal for industrial applications requiring reliable steam condensate removal, ensuring optimal system performance and energy efficiency.
Product Name: ASTM A105 Thermodynamic Steam Trap
Body Material: ASTM A105, Forged Carbon Steel
Size: DN25, 1 Inch
Pressure: PN16, Class 150 LB
End Connection: STD 16F Flange
Medium: Steam Condensate
The Thermodynamic Steam Traps are designed for use in steam pipelines and equipment. Their primary function is to prevent steam leakage, thereby conserving energy and avoiding issues such as water hammer and other malfunctions. These traps operate based on thermodynamic principles. When condensate water is discharged into a lower pressure area, secondary evaporation occurs. Additionally, the drain valve will open or close depending on the differences in viscosity and density of the steam.
Technical Specification
» Product Model: STD 16F
» Normal Size Range: 1/2-1 Inch (DN15-DN25)
» Normal Pressure Rating: PN16, PN25, Class 150 LB
» Material: ASTM A105, A182 F304, F316
» PMA (Maximum Allowable Pressure): 40 Bar g
» TMA (Maximum Allowable Temperature): 300°C
» Maximum Differential Pressure (ΔPMAX): 32 Bar
» Medium: Steam Condensate
Product Features
» Working Principle: The thermodynamic steam trap operates based on the density difference between vapor and liquid.
» Material: The valve body and bonnet are constructed from forged steel or cast steel.
» Valve Clack and Seat: Made from special stainless steel, these components undergo heat treatment and aging processes to ensure they remain stable and wear-resistant under high temperature and pressure conditions, thereby enhancing the trap's service life.
» Heat Preservation Cover: The stainless steel cover isolates and reduces heat loss, preventing air from entering the trap.
» Internal Structure: The fluid channel is meticulously designed in accordance with the Bernoulli equation, ensuring optimal performance and rational structure.
» Built-in Filter: This feature maintains a clean working environment for the trap.
» Back Pressure Rate: The trap can handle back pressure up to 80%.
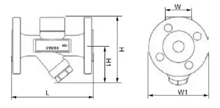
Structural Diagram

Main Dimensions
|
Type |
Conn |
DN |
PN |
Working |
L |
H |
H1 |
W |
D |
|
STD 16T |
Thread |
15-25 |
25 |
0.05-1.6 |
90 |
120 |
120 |
48 |
1/1.5 |
|
STD 16W |
SW |
15-25 |
25 |
0.05-1.6 |
90 |
120 |
120 |
48 |
1/1.5 |
|
STD 16F |
RF |
15-25 |
25 |
0.05-1.6 |
150 |
120 |
120 |
48 |
2.5-3 |